Hydraulic Toe Jack POWERTEX PTJ-S1

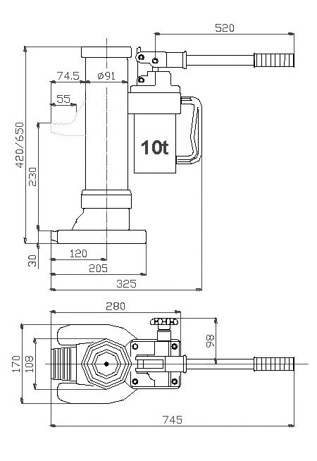
PTJ-S1 is easy to operate using the detachable handle. The jack can lift using the toe of the jack or from the top plate and the capacity is the same for both lifting points.

Features:

• Safe - Each hydraulic jack is dynamic proof load tested using load of 1 x WLL throughout a full travel cy

Show more

Part code:
Powertex

PTJ-S1 is easy to operate using the detachable handle. The jack can lift using the toe of the jack or from the top plate and the capacity is the same for both lifting points.

Features:

• Safe - Each hydraulic jack is dynamic proof load tested using load of 1 x WLL throughout a full travel cycle and examined before delivery.
• Safe – the jack is equipped with overload protection device
• Housing allows 360 degree rotation for easy positioning
• Pressure relief valve operated by turning knob
• Adjustable lowering speed using the turning knob for smooth lowering
• Chromium 6 free surface treatment
• Equipped with RFID chip
• POWERTEX 2.2 certificate & EC Declaration delivered with each jack
• 14 language User manuals delivered with each jack
• QR code for on-site access to Multilanguage user manuals
• Fulfills Machinery Directive 2006/42/EC
• Low height allows easy positioning under machines

  • Material: Robust all steel construction
  • Marking: According to standard, CE-marked, POWERTEX, Model, WLL, Manufacturing date and Serial number
  • Temperature range: -20°C up to +50°C
  • Finish: Powder painted
  • Standard: EN 1494
Download Document